JavaScript を有効にしてご利用下さい.
※赤字は休業日です
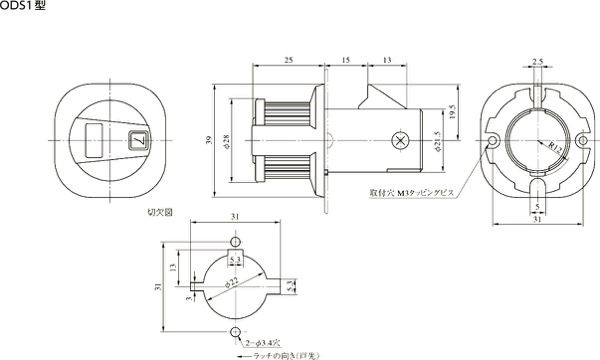
ポスト > ダイヤル錠 > MIWA > 縦開き
MIWA > ODS > 縦開き
現物表示
取付ネジピッチ
戸車径
代替部品
備考
参考資料
ODS
使用商品名
販売期間
備考欄
開始年
廃止年
タテ用(上吊元、下ラッチ)
新商品(102)
メーカー同等品(43)
三協アルミ(2579)
トステム(2118)
TOEX(19)
新日軽(1913)
YKK(1337)
不二サッシ(694)
立山アルミ(574)
日鐵サッシ(19)
中西産業(ナカニシ)(233)
中西金属工業(29)
シブタニ(75)
ヨコヅナ(64)
明治アルミ(101)
MIWA(356)
TH(1)
HPD(1)
通電金具(1)
AL4M(1)
TRU(2)
TB(1)
LDA(3)
CSVD-1H(1)
SL77(2)
FG3(2)
SL12(1)
AL3M(1)
BHE(1)
BM(4)
DA(5)
DZ(5)
DN(3)
DG(1)
DG2(4)
ODS(4)
横開き(2)
縦開き(2)
OM(3)
LA(2)
LAL(1)
LSP(1)
LL(1)
LO(4)
HM(11)
MHM(2)
145HM(10)
PMK(3)
ND(14)
RA(3)
SL99(2)
THM HL(2)
TRF(1)
TRT(2)
ZLT(9)
取付ステー(2)
バランサースプリング(3)
カバー(1)
箱錠(42)
エスカチオン(5)
補修用部品類(1)
操作表示器(2)
浴室錠(4)
非常開装置(2)
非常開装置付表示装置(3)
ストライクボックス(24)
面付錠(9)
面付箱錠(7)
スペアーキー(1)
クレセント(6)
フロントプレート(14)
サムターン(20)
レバーハンドル(21)
本締付モノロック(21)
引違戸錠(9)
シリンダー(75)
丁番(1)
ドアクローザー(25)
GOAL(68)
共栄ネット(43)
ニュースター(110)
キンマツ(90)
TYK(3)
増田産業(21)
フロンテア(48)
三和シャッター(144)
文化シャッター(40)
セキスイ(12)
日立ハウステック(73)
松下電工(102)
INAX(36)
TOTO(47)
ノーリツ(2)
リョービ(108)
エクセルシャノン(2)
AICA(2)
豊和(10)
その他(834)
ポスト(148)
郵便差入口(31)
郵便差入口カバー(5)
郵便差入口ガイド(11)
郵便受箱(39)
取出口蓋(7)
丁番(6)
ダイヤル錠(49)
ジョープリンス(2)
トステム(1)
ハッピー金属(3)
松下電工(2)
リンタツ(2)
大建プラスチック(1)
コーワソニア(8)
ナカ工業(1)
MIWA(4)
サンウエーブ(1)
排煙窓(85)
フランス落し(145)
シャッター錠(26)
ナスタ(14)
タマヤ(3)
TAJIMA(7)
ドアクローザー(377)
ガラスルーバー用ガラス(28)
シリンダー(321)
ホールキャップ(58)
パッキン(281)
モヘヤ(60)
ドアアイ(13)
ドアガード(95)
防湿鏡(48)
その他商品カテゴリー(96)