JavaScript を有効にしてご利用下さい.
※赤字は休業日です
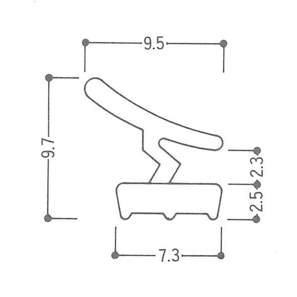
YKK > 玄関ドア > 戸当りゴム
パッキン > 気密材 > YKK
現物表示
取付ネジピッチ
戸車径
代替部品
軸形状
軸の長さ
軸の寸法
備考
使用商品名
販売期間
備考欄
開始年
廃止年
アプローズ
丁番側縦枠
店舗・玄関ドア
ドア枠側
装飾開き窓
装飾アール型開き窓
新商品(95)
メーカー同等品(43)
三協アルミ(2564)
トステム(2116)
TOEX(19)
新日軽(1905)
YKK(1330)
補修・汎用部品(1)
サッシ(449)
雨戸(49)
シャッター(20)
装飾窓(203)
出窓(4)
網戸(111)
玄関ドア(203)
シリンダーカバー(2)
脱着サムターン(1)
テラスドア(3)
錠受(3)
錠ケース(19)
カードキー(2)
エッジキャップ(1)
ポスト(7)
ポスト受箱(1)
調整スペーサー(7)
戸当りゴム(14)
マンションドア(1)
縦枠(1)
上枠・下枠(2)
丁番側たて用(1)
錠側たて・子扉召合せ用(1)
マグネット式(4)
ドアスコープ(1)
補助錠(1)
サムターン(3)
ドアクローザー(55)
丁番(16)
ドアガード(17)
錠(16)
ハンドル(9)
フランス落し(6)
シリンダー(28)
アパートドア(7)
玄関引戸(66)
勝手口(45)
浴室(150)
フロント部材(6)
エクステリア(7)
面格子(11)
室内建具(13)
不二サッシ(694)
立山アルミ(574)
日鐵サッシ(19)
中西産業(ナカニシ)(233)
中西金属工業(29)
シブタニ(75)
ヨコヅナ(64)
明治アルミ(101)
MIWA(351)
GOAL(68)
共栄ネット(42)
ニュースター(110)
キンマツ(90)
TYK(3)
増田産業(21)
フロンテア(48)
三和シャッター(143)
文化シャッター(39)
セキスイ(12)
日立ハウステック(72)
松下電工(102)
INAX(36)
TOTO(47)
ノーリツ(2)
リョービ(107)
エクセルシャノン(2)
AICA(2)
豊和(10)
その他(826)
ポスト(147)
排煙窓(85)
フランス落し(145)
シャッター錠(25)
ドアクローザー(374)
ガラスルーバー用ガラス(28)
シリンダー(319)
ホールキャップ(58)
パッキン(272)
U型ビート(84)
戸先ゴム(15)
気密材(133)
立山アルミ(2)
不二サッシ(5)
トステム(39)
YKK(12)
モヘヤ(60)
三協アルミ(28)
新日軽(30)
ピンチブロック(5)
ホクショー(12)
先付ビート(2)
後付ビート(38)
ドアアイ(13)
ドアガード(95)
防湿鏡(48)
その他商品カテゴリー(96)