JavaScript を有効にしてご利用下さい.
※赤字は休業日です
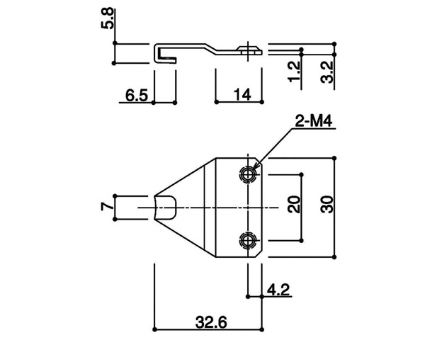
YKK > サッシ > クレセント受け > 住宅用
現物表示
K10924
取付ネジピッチ
20mm
戸車径
代替部品
軸形状
軸の長さ
軸の寸法
備考
使用商品名
販売期間
備考欄
開始年
廃止年
ハイサッシH
A・B・BL型・ランマ
アルミサッシ3H
アルミサッシ3H-U
あとづけサッシ[ソトマード]3AH
断熱防音サッシWHA
断熱二重窓トワイエルWHA-X
三重サッシHY
出窓35B
出窓30K
出窓25K
2DY-1H
DY-2H
8DY 張り出し窓SDY
新商品(95)
メーカー同等品(43)
三協アルミ(2564)
トステム(2114)
TOEX(19)
新日軽(1905)
YKK(1329)
補修・汎用部品(1)
サッシ(449)
ストッパー(1)
振れ止め(1)
風止板(2)
ガイド(1)
開口制限ストッパー(1)
戸車(102)
クレセント(202)
ビル用クレセント(52)
住宅用クレセント(150)
クレセント受け(17)
住宅用(11)
ビル用(6)
ビスピッチ:20mm(1)
クレセントカバー(15)
指はさみ防止ゴム(2)
パッキン(8)
プラマードU(1)
引手(2)
上部ストッパー(4)
下部ストッパー(4)
落し錠(2)
U型ビート(1)
操作レバー(2)
ハンドル(14)
框キャップ(7)
AT材(11)
ホールキャップ(8)
はずれ止め(10)
補助錠(9)
調整スペーサー(3)
小窓締り(14)
外錠(4)
回転ストッパー(4)
雨戸(49)
シャッター(20)
装飾窓(202)
出窓(4)
網戸(111)
玄関ドア(202)
アパートドア(7)
玄関引戸(66)
勝手口(45)
浴室(150)
フロント部材(6)
エクステリア(7)
面格子(11)
室内建具(13)
不二サッシ(694)
立山アルミ(574)
日鐵サッシ(19)
中西産業(ナカニシ)(233)
中西金属工業(29)
シブタニ(75)
ヨコヅナ(64)
明治アルミ(101)
MIWA(351)
GOAL(68)
共栄ネット(42)
ニュースター(110)
キンマツ(90)
TYK(3)
増田産業(21)
フロンテア(48)
三和シャッター(143)
文化シャッター(39)
セキスイ(12)
日立ハウステック(72)
松下電工(102)
INAX(36)
TOTO(47)
ノーリツ(2)
リョービ(107)
エクセルシャノン(2)
AICA(2)
豊和(10)
その他(825)
ポスト(147)
排煙窓(85)
フランス落し(145)
シャッター錠(25)
ドアクローザー(374)
ガラスルーバー用ガラス(28)
シリンダー(318)
ホールキャップ(58)
パッキン(272)
モヘヤ(60)
ドアアイ(13)
ドアガード(95)
防湿鏡(48)
その他商品カテゴリー(96)