JavaScript を有効にしてご利用下さい.
※赤字は休業日です
MIWA > TH
新商品
現物表示
取付ネジピッチ
戸車径
代替部品
備考
玄関 表から見て左に丁番があるドア(左勝手(L)です。)
参考資料
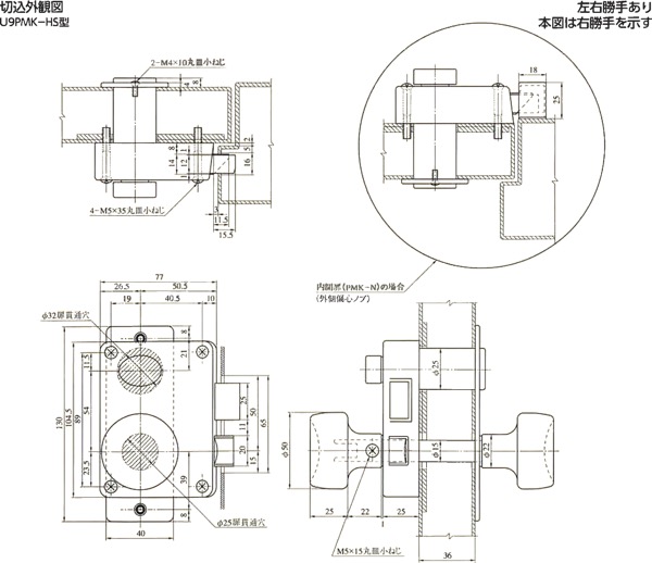
U9PMK-HS
使用商品名
販売期間
備考欄
開始年
廃止年
新商品(98)
メーカー同等品(43)
三協アルミ(2580)
トステム(2118)
TOEX(19)
新日軽(1914)
YKK(1338)
不二サッシ(694)
立山アルミ(574)
日鐵サッシ(19)
中西産業(ナカニシ)(233)
中西金属工業(29)
シブタニ(75)
ヨコヅナ(64)
明治アルミ(101)
MIWA(356)
TH(1)
HPD(1)
通電金具(1)
AL4M(1)
TRU(2)
TB(1)
LDA(3)
CSVD-1H(1)
SL77(2)
FG3(2)
SL12(1)
AL3M(1)
BHE(1)
BM(4)
DA(5)
DZ(5)
DN(3)
DG(1)
DG2(4)
ODS(4)
OM(3)
LA(2)
LAL(1)
LSP(1)
LL(1)
LO(4)
HM(11)
MHM(2)
145HM(10)
PMK(3)
ND(14)
RA(3)
SL99(2)
THM HL(2)
TRF(1)
TRT(2)
ZLT(9)
取付ステー(2)
バランサースプリング(3)
カバー(1)
箱錠(42)
エスカチオン(5)
補修用部品類(1)
操作表示器(2)
浴室錠(4)
非常開装置(2)
非常開装置付表示装置(3)
ストライクボックス(24)
面付錠(9)
面付箱錠(7)
スペアーキー(1)
クレセント(6)
フロントプレート(14)
サムターン(20)
レバーハンドル(21)
本締付モノロック(21)
引違戸錠(9)
シリンダー(75)
丁番(1)
ドアクローザー(25)
GOAL(68)
共栄ネット(43)
ニュースター(110)
キンマツ(90)
TYK(3)
増田産業(21)
フロンテア(48)
三和シャッター(144)
文化シャッター(40)
セキスイ(12)
日立ハウステック(73)
松下電工(102)
INAX(36)
TOTO(47)
ノーリツ(2)
リョービ(108)
エクセルシャノン(2)
AICA(2)
豊和(10)
その他(834)
ポスト(148)
排煙窓(85)
フランス落し(145)
シャッター錠(26)
ドアクローザー(377)
ガラスルーバー用ガラス(28)
シリンダー(322)
ホールキャップ(58)
パッキン(281)
モヘヤ(60)
ドアアイ(13)
ドアガード(95)
防湿鏡(48)
その他商品カテゴリー(96)